プライバシーポリシー
サイトマップ
English
简体中文
繁体中文
한글
トップページへ
ロータリージョイント
スイベルジョイント
ロータリージョイントパーツ
ロータリージョイント・スイベルジョイントのお客様サポート
ロータリージョイントの武田エンジニアリングの会社概要
ロータリージョイント
のお問合せは
R1000 SERIES
R2000 SERIES
R2200 SERIES
R2300 SERIES
R2400 SERIES
R3000 SERIES
R3100 SERIES
R3700 SERIES
使用方法
使用分野と用途
基本形状と特徴
標準取付形状
商品を流体から選ぶ
品番の見方
テクニカル相談シート
保守・点検マニュアル
アフターサービス
Q & A
お問合せ
ロータリージョイント
スイベルジョイント
TKDブランドは
武田エンジニアリング株式会社
<営業時間> A.M.8:30~P.M.17:30
<定 休 日> 土・日・祝日
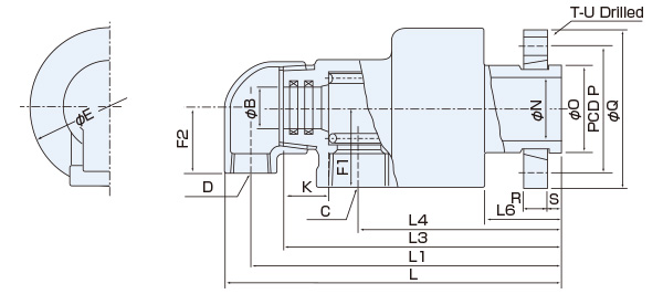
ロータリージョイント AR2025 (
フランジ
)
■
複式インターナルパイプ回転
■
フランジ
■
AR: MAX 100℃
※インターナルパイプをご希望の場合は材質,長さ、取合い形状等お客様と打合せの上製作いたします。
ロータリージョイント・トップページ